Overview
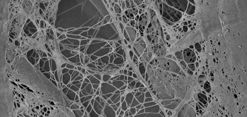
Nature's constructed materials are our inspiration! Scroll through our gallery or read more about individual projects below.
We are currently updating the website with the newer projects in Division of Biocomposites, please come back later for a complete list of the research we are conducting!
Project by project
