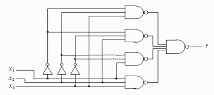
Simulering av trevägsbelysningen
Trevägs ljuskontroll med Breadboard-simulator
Antag att vi behöver kunna tända/släcka vardagsrummet från tre olika ställen.
- Man ska alltid kunna ändra ljuset genom att ändra en valfri strömbrytare.


![]()


Färdig JBB-simuleringsfil finns. Lägg den i circuits-mappen, så kan den enkelt hämtas inifrån JBB-simulatorn.

Enklare med XOR-grindar!

